製品詳細product
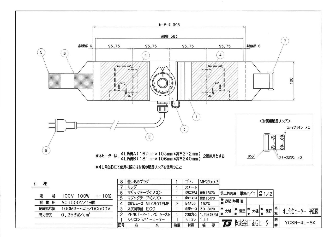
4L角缶ヒーター(100V) YGSN-4L-Sq型
製品の特徴
安全設計
・標準在庫品となります。
・PSE適合※の安全設計です。
・シンプルでコンパクトにデザインされたヒーターです。
・温度調節器が付属しています。
※PSE非適合となりますが特注サイズも製作可能です。
・PSE適合※の安全設計です。
・シンプルでコンパクトにデザインされたヒーターです。
・温度調節器が付属しています。
※PSE非適合となりますが特注サイズも製作可能です。
便利なマルチタイプ
・スプリング固定タイプで対象容器への脱着が容易です。
・YGSN-4L-Sq型は締め付けアジャスター付きで、2種類の4L缶で使用できます。
・YGSN-4L-Sq型は締め付けアジャスター付きで、2種類の4L缶で使用できます。
※PSE(電気用品安全法)とは
電気用品安全法は、電気用品による危険及び障害の発生の防止を目的とする法律であり、約450品目の電気用品を対象として指定し、製造、販売等を規制するとともに、電気用品の安全性の確保につき民間事業者の自主的な活動を促進する枠組みとなっています。
引用元:電気用品安全法とは - PSEインフォメーションセンター
引用元:電気用品安全法とは - PSEインフォメーションセンター
製品の仕様
仕様
| 定格電圧 | AC100V単相 | 電源ケーブル | キャプタイヤケーブル2m |
| 電力 | 100W 50/60Hz | コンセントプラグ付き | |
| 温度調節器 | 液体膨張式(設定温度30℃~80℃) | 最高耐熱温度 | 130℃ |
| 適合缶 | 4L角缶 A:181mmx106mmx240mm B:167mmx103mmx270mm |
発熱エレメント | ニッケルクロム丸線 |
| 外装 | ガラスクロス補強シリコンシート | 寸法 | 395mm(長さ)x100mm(幅) |
| 過昇温防止機能 | 温度ヒューズ(2ヶ所) | 重量 | 約1.2㎏ |
価格
販売価格¥48,450
関連製品
カタログダウンロード
ご購入前のご相談Consultation
お問い合わせ・カンタン見積もり・
リモート商談の
お申し込みはこちら!
メールでお問合せ
かんたん見積り
リモート商談
電子カタログ
ご注文について
お支払いについて